Leírás
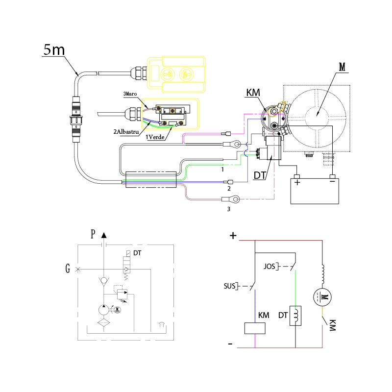
A BILLENŐSZIVATTYÚ 12V, 2,2KW 150 BAR, 10L FÉMTARTÁLLYAL ÉS TÁVIRÁNYÍTÓVAL AUTOSPEED tápfeszültsége 12 V, motor teljesítménye 2,2 kw, áramlási sebessége 3,2 ml/ford, üzemi nyomása 150 bar, olajtartályának térfogata 10 l és a csatlakozása M14 x 1,5.
Műszaki adatok:
- Tápfeszültség: 12V
- Az olajszivattyú áramlási sebessége: 3,2 ml/r
- Üzemi nyomás: 150 bar
- Motor teljesítmény: 2,2 kw
- Olajtartály térfogata: 10L fémből
- Csatlakozó dugó: M14 x 1,5
- Távirányító vezeték hossza: 5 m
- Süllyedés: tétlenség által
BILLENŐSZIVATTYÚ 12V, 2,2KW 150 BAR, 10L FÉMTARTÁLLYAL ÉS TÁVIRÁNYÍTÓVAL AUTOSPEED

Alert me if this item is restocked.
We often restock popular items or they may be returned by the other customers. If you would like to be notified when this happens just enter your details below.
BILLENŐSZIVATTYÚ 12V, 2,2KW 150 BAR, 10L FÉMTARTÁLLYAL ÉS TÁVIRÁNYÍTÓVAL AUTOSPEED
Tiszteletben tartjuk az adatvédelmét, és nem osztjuk meg email címét senkivel.
Alert me if this item is restocked
A kérését töröltük.
Ez is érdekelhet
HIDRAULIKUS BILLENŐHENGER 2 TONNA, VEZETÉK NÉLKÜLI TÁVIRÁNYÍTÓVAL 24V 1.2KW
BILLENŐ MUNKAHENGER PÓTKOCSIHOZ, RM TÍPUS, 4 FOKOZATÚ, STD KIVITEL
HIDRAULIKUS TELESZKÓPOS BILLENŐ MUNKAHENGER, 5 FOKOZATÚ, 7 TONNÁS
SEBESSÉGVÁLTÓ EMELŐ 500 KG MAGASSÁG 110-200 CM
INJEKTOR - PORLASZTÓ LEHÚZÓ PNEUMATIKUS PRÉS 1000 NM 21 DB BOSCH DELPHI DENSO SIEMENS
FÉKNYEREG VISSZANYOMÓ KÉSZLET 22 DB
NYOMATÉKKULCS - 1/4" - 5-25 NM
SZERELŐBAK - TARTÓBAK 3 T REDATS
SZELEP KÉSZLET 100 DB TUBELESS TR413
VEZÉRLÉSRÖGZÍTŐ KÉSZLET 1.6 2.0 CR TDI VAG
ÖSSZECSUKHATÓ MOTORKIEMELŐ ZSIRÁF 2 T REDATS
GUMIABRONCS - KERÉK SZERELŐ PASZTA 5 KG
Nemrég megtekintett termékek
Valódi tapasztalatok a Gebo Tools-szal
